SWP201/SWP202单路/双路隔离配电器
产品名称:SWP201/SWP202单路/双路隔离配电器
产品编号:Pro20085149539
产品型号:
更新时间:2013.07.21
企业单位:
浏览次数:
产品编号:Pro20085149539
产品型号:
更新时间:2013.07.21
企业单位:
浏览次数:
产品详细介绍:

SWP20型配电模块是一种小型化插装式结构的转换模块。它给二线制变送器提供电压的同时,接收来自变送器的与差压、压力、液面等成比例的4~20mA DC输出信号。
一、仪表特点
使用交直流两种电源,变送输出与主机隔离,具有1~5V DC或4~20mA DC输出信号的选择功能并配置变送器电源开关。
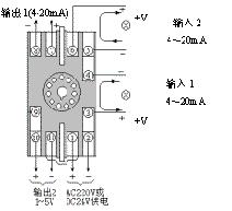
二、仪表参数及接线图
| 型号 | SWP-20 配电模块 | |
| 输入信号 | 模 拟 量 4~20mA DC | |
| 特性 | 响应时间 约250ms(时间常数)V、mA输入:约100ms(时间常数) | |
| 接线图 | A:单路输入型 | B:双路输入型 |
![]() |
![]() | |
三、配电模块型谱表
| 型 号 | 代 码 | 说 明 | |||||||||||||||||||
| SWP -20 | □-□□-□ - □- □- □ | 配电模块 | |||||||||||||||||||
| 输入通道数 |
|
| |||||||||||||||||||
| 模块功能 | DL | 配电模块 | |||||||||||||||||||
| 输入信号 | □ | 参见"输入信号" | |||||||||||||||||||
| 第一路输出方式 |
|
| |||||||||||||||||||
| 第二路输出方式 |
|
| |||||||||||||||||||
| 供电方式 |
|
| |||||||||||||||||||
★ 输入信号
| 代码 | 输入类型 | 说 明 | ||
| 输入信号 | 1 | V | 1~5V | 本表所列为***大量程,用户可在量程范围内通过修改变送器内部参数确定量程范围 |
| 2 | V | 0~5V | ||
| 3 | I | 4~20mA | ||
| 4 | I | 0~10mA | ||
★代码举例:
SWP201-DL-1-1-1-W
单路,输入信号1~5V,第一路输出为1~5V,第二路输出为1~5V输出,DC24V供电。



