YX/YXC/YXN电接点压力表
产品名称:YX/YXC/YXN电接点压力表
产品编号:Pro200723153241
产品型号:
更新时间:2013.07.21
企业单位:
浏览次数:
产品编号:Pro200723153241
产品型号:
更新时间:2013.07.21
企业单位:
浏览次数:
产品详细介绍:
1、概述
该系列电接点压力表适用于一般压力表允许的工作条件。配以相应的电气元器件,能对被测的输出信号和系统自动控制。
YXC系列产品具有工作可靠,接点功率大的优点;
YXN系列产品适用于有机械振动和介质脉动的条件具有******的抗振性能。
2、规格示意
3、额定负载参考值
4、技术参数
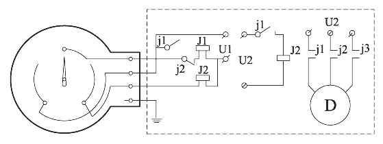
5、电接点压力表电气原理图
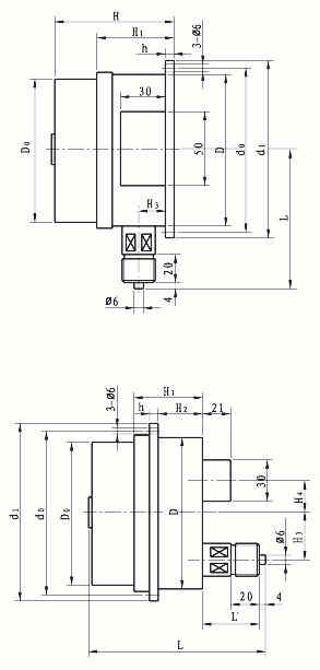
6、外形尺寸
| ||||||||||||||||||||||||||||||||||||||||||||||||||||||



