HSD-1电流传感器
产品名称:HSD-1电流传感器
产品编号:Pro200851510295
产品型号:
更新时间:2013.07.22
企业单位:
浏览次数:
产品编号:Pro200851510295
产品型号:
更新时间:2013.07.22
企业单位:
浏览次数:
产品详细介绍:

YWG系列霍尔效应传感器,可以测量任意波形的电流和电压,输出端能真实地反映输入端电流或电压的波形参数。针对霍尔效应传感器普遍存在温度漂移大的缺点,采用补偿电路进行控制,有效地减少了温漂对测量精度的影响,确保测量准确;具有精度高、安装方便、售价低的特点。
YWG系列霍尔效应传感器广泛应用于变频调速装置、逆变装置、UPS电源、通信电源、电焊机、电力机车、变电站、数控机床、电解电镀、微机监测、电网监控等需要隔离检测电流电压的设施中。
二、产品命名方法

三、原理
YWG-HSD系列电流传感器是一种原边与副边高度电隔离,副边真实反映被测直流、交流、脉动电流等原边波形的传感器。它具有反应时间快、过载能力强、温度特性好、输出连续可调、性能稳定等优点。
四、技术性能指标
|
测量范围 |
2IN |
频率特性 |
0~10kHz |
|
过载能力 |
20IN |
绝缘耐压 |
AC2.0kV/min·1mA |
|
精度等级 |
<1.0%IN |
工作环境 |
0~45℃ |
|
线性度 |
优于0.2% |
工作电源 |
±12V~±15V,+12V,+15V |
|
失调电压 |
小于±20mV |
电源耗电 |
≤30mA |
|
温度漂移 |
优于±100ppm/℃ |
阻燃特性 |
UL94-VO |
|
反应时间 |
小于10us |
内置电源浪涌、极性反接保护; | |
五、执行标准
QB/441600 17 113-2002
六、型号及参数
|
型 号 |
输 入/输 出 |
引 脚 接 线 |
|
YWG-HSD-1-50A |
0~50A/0~4V |
1: 正工作电源端
2: 负工作电源端
3: 测量输出端
4: 公共接地端 5: 空脚 ![]() |
|
YWG-HSD-1-100A |
0~100A/0~4V | |
|
YWG-HSD-1-150A |
0~150A/0~4V | |
|
YWG-HSD-1-200A |
0~200A/0~4V |
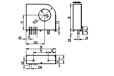
七、外形图

八、注意事项
1.工作电源、输出端须***正确连接,不能错接;
2.对于两个电位器,请不要随意调整,若需调校,用小螺丝刀缓慢旋转至所需精度即可;
3.原边母线的温度不应超过60℃;
4.当电流母线填满原边穿线孔时,获得***佳的测量精度;
5.使用环境应无导电尘埃和无腐蚀金属和破坏绝缘的气体存在,海拔高度小于2500米;
6.测直流电流时,电流方向与产品外壳上所标示的箭头同向时,才能得到正向输出。


