SWP-X80闪光报警控制仪
产品名称:SWP-X80闪光报警控制仪
产品编号:Pro2008515175353
产品型号:
更新时间:2013.07.22
企业单位:
浏览次数:
产品编号:Pro2008515175353
产品型号:
更新时间:2013.07.22
企业单位:
浏览次数:
产品详细介绍:
|
SWP-LED系列闪光报警控制仪可与各种SWP系列控制仪表或其他接点式控制检测仪表配套使用。可同时检测八路输入信号,八路信号均采用大规模、高亮度数码管分别显示各通道的当前状态值。 | |||||||||||||||||||||||||||||||||||||||||||||||||||||||||||||||||||||||||||||||||||||||||||||||||
|
一、仪表特点 | |||||||||||||||||||||||||||||||||||||||||||||||||||||||||||||||||||||||||||||||||||||||||||||||||
|
闪光报警控制仪的输入信号可选择接点式开路报警、接点式闭路报警或TTL电平。具有多种报警控制输出方式,可自由选择闪光报警、声音报警、继电器报警触点控制输出及带报警记忆或不带报警记忆功能。 | |||||||||||||||||||||||||||||||||||||||||||||||||||||||||||||||||||||||||||||||||||||||||||||||||
|
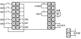
二、仪表外形及接线图(以下为基本配线方式,特殊订货请参见随机接线图) | |||||||||||||||||||||||||||||||||||||||||||||||||||||||||||||||||||||||||||||||||||||||||||||||||
| |||||||||||||||||||||||||||||||||||||||||||||||||||||||||||||||||||||||||||||||||||||||||||||||||
|
三、SWP系列闪光报警控制仪型谱表 | |||||||||||||||||||||||||||||||||||||||||||||||||||||||||||||||||||||||||||||||||||||||||||||||||
| |||||||||||||||||||||||||||||||||||||||||||||||||||||||||||||||||||||||||||||||||||||||||||||||||
|
★ 平面LED指示的闪光报警器无通讯,无开关电源供电方式。 | |||||||||||||||||||||||||||||||||||||||||||||||||||||||||||||||||||||||||||||||||||||||||||||||||
|
★ 型号举例: | |||||||||||||||||||||||||||||||||||||||||||||||||||||||||||||||||||||||||||||||||||||||||||||||||
|
①SWP-X803-D-A-P-W(发光管式指示) | |||||||||||||||||||||||||||||||||||||||||||||||||||||||||||||||||||||||||||||||||||||||||||||||||
|
接点式闭路报警,DC24V馈电输出,DC24V供电,发光管式指示。 | |||||||||||||||||||||||||||||||||||||||||||||||||||||||||||||||||||||||||||||||||||||||||||||||||
|
②SWP-X803-8N-B-P-T(数字式指示) | |||||||||||||||||||||||||||||||||||||||||||||||||||||||||||||||||||||||||||||||||||||||||||||||||
|
通讯方式RS485,接点式开路报警,DC24V馈电输出,AC90~265V供电,数字式指示。 | |||||||||||||||||||||||||||||||||||||||||||||||||||||||||||||||||||||||||||||||||||||||||||||||||





