介绍:
直流漏电流变送器型号:YWM-LI□

一、 概述
直流漏电流变送器是采用磁调制原理实现直流小电流的非接触测量,具有稳定性好、绝缘度高、安装方便等特点。
二、要技术指标
a) 型号及参数:
|
型 号 |
输 入 |
输 出 |
精度等级 |
|
YWM-LI10 |
0~±10mA |
0~±5V |
2.0 |
|
YWM-LI20 |
0~±20mA |
0~±5V |
2.0 |
|
YWM-LI50 |
0~±50mA |
0~±5V |
2.0 |
|
YWM-LI100 |
0~±100mA |
0~±5V |
2.0 |
|
YWM-LI200 |
0~±200mA |
0~±5V |
2.0 |
b) 辅助电源: DC ±12V~±15V
d) 输出负载: RL≥2kW
e) 静态功耗: ≤500mW
f) 响应时间: 200ms
g) 绝缘耐压: 输入与输出、电源间AC 3000V/min
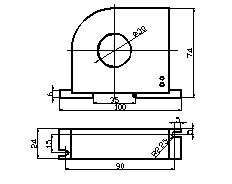
h) 开孔孔径: Ф30mm
i) 外型尺寸: 100mm×24mm×74mm
j) 工作环境: 温度:-10~50℃ 湿度:10~90%(无凝露)
j) 贮藏条件: 温度:-40~70℃ 湿度:10~95%(无凝露)
三、外形图
四、接线图
五、安装
采用DIN导轨和螺钉两种安装方式,导轨宽度为35mm。螺钉大小为M4×12 。
六、注意事项
1. 传感器在出厂前已按用户需求调节好,无需再调节。
2. 初次上电时,若输出有微小偏差,无需调整。约30分钟后输出能自动归零。若长时间关机后重新开机,要有上述过程。
上一篇:交流电压变送器
下一篇:三组合交流电流(电压)变送器


